Views: 0 Author: alisa whatsapp:86-136 2587 3008 Publish Time: 2025-09-01 Origin: Site


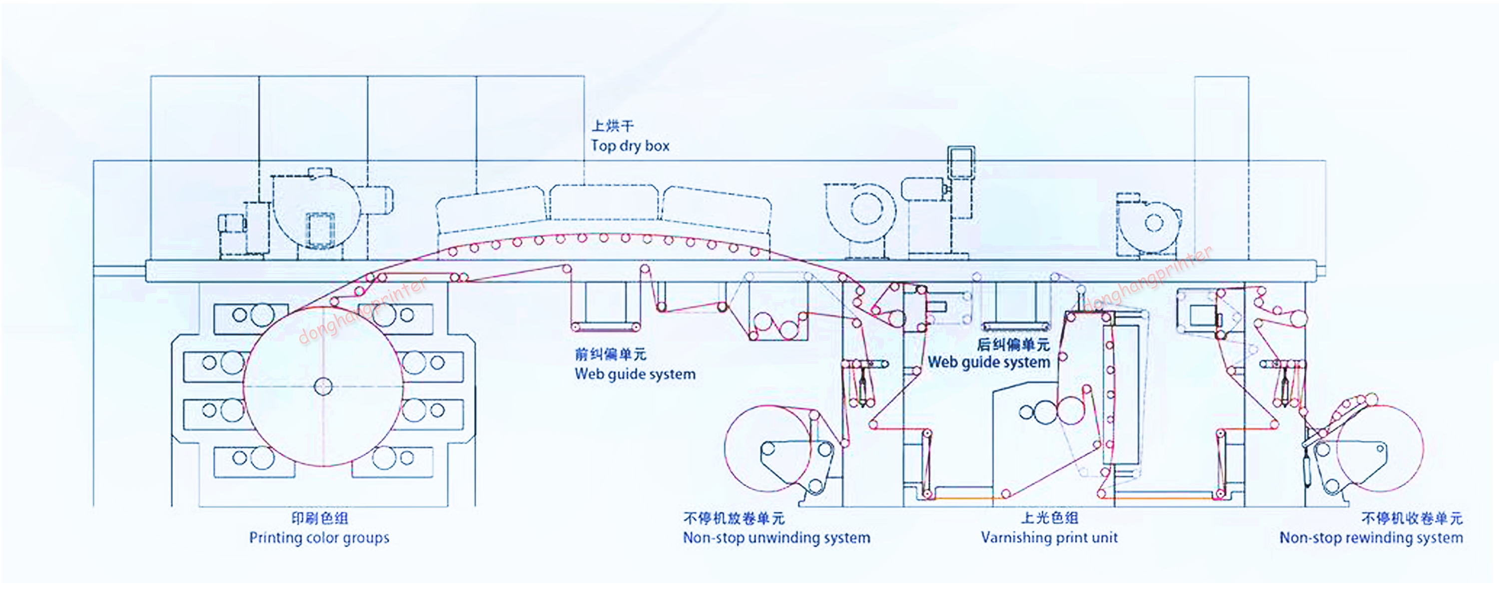
This high-performance flexographic printing machine is designed for multi-color continuous printing on a wide range of roll materials including BOPP, PVC, PET, PE films, breathable films, non-woven fabrics, and paper products. The machine features a PLC-controlled system with variable frequency drives for precise operation. It incorporates advanced printing technologies such as high-precision ceramic anilox rollers, fully enclosed chamber doctor blades, and pneumatic ink pumping for consistent ink application. The electric registration system with HD color monitoring ensures accurate color alignment and quality control. A heavy-duty central drum and precision gear system provide stable operation, while closed-loop tension control maintains consistent web handling. The machine offers flexible drying options with energy-efficient hot air, electric, or thermal oil/steam heating systems. These features combine to deliver exceptional print quality and operational efficiency for various flexible packaging and label applications.